16 Mar,2026
ギア vs. ベーン vs. ピストン: どの産業用油圧ポンプが最高の効率を提供しますか?


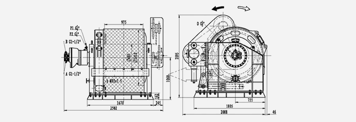
l*J---C シリーズ係留ウインチは当社の特許製品です。それらは、過負荷保護機能を備えたバルブブロック、油圧モーター(ブレーキ付き電動モーター)、遊星ギアボックス、ベルトブレーキ、ツースクラッチ、ドラムキャプスタンヘッド、フレームなどで構成されています。バルブブロックとの適合により、油圧システムの設計が簡素化されただけでなく、ドライブの信頼性も向上しました。ウインチシリーズは、定張力バルブが取り付けられている場合、CT機能を持つことができ、このシリーズは高い起動効率と作業効率も備えています。さらに、従来の係留と比較して、シリーズの総伝送効率が6〜10%向上し、惑星が閉じているためエネルギー損失が低くなります。
| モデル | IYJ34.54.5-100 / 50-500-24-C-PDX | IYJ56- -200-500- -38-C-PDLX | IYJ699-C | IYJ99-600-1000-50-C-PDLX | IYJ4611-750/150-240-54-C-PDLX | IYJK08-50-150-22-PDL |
| 定格作動引張力 1 層目 (KN) | 100/50 | 200 | 350/140 | 600 | 750/150 | 50 |
| ブレーキサポート荷重(KN) | - | 600 | 500 | 900 | 1250 | - |
| 速度 1 層目 (m/min) | 15/30 | 15.6 | 6/12 | 5 | 5/20
| 20 |
| ドラム容量(mL/r) | 10143.6/5119.2 | 40936 | 75600/37800 | 90744.43 | 103304.35/25826 | 6360.66 |
| システム定格圧力(MPa) | 25 | 16 | 26/10.5 | 22 | 31/26 | 15 |
| ロープ径(mm) | 24 | 38 | 38 | 50 | 54 | 22 |
| ロープの層数 | 8 | 7 | 5 | 6 | 4 | 7 |
| ドラム能力(m) | 490 | 500 | 500 | 1000 | 240 | 60 |
| ポンプ流量(L/min) | 90(ηv=0.9) | 300(ηv=0.94) | 162(ηv=0.9) | 139(ηv=0.9) | 178(ηv=0.9) | 79(ηv=0.9) |
| 油圧モーター式 | A6V107ED22FZ2-054 | INM5-1450D48011 | HLA4VSM2500Z-125 | INM7-3600024011 | A6VM160HD1D/63W0400VZB080 | GM3-1000-7D47 |
| 遊星歯車装置タイプ | IGT6DW3-B95-A6V107(I=94.8) | C56(I=28) | IGC330W3-B302-A4V250(I=302.4) | 6C3302-335-IW7(I=25.13) | C46611(I=645.65) | - |
有名企業の製品はユーザーからの信頼も厚い。
業界での経験年数
工場エリア
優秀な従業員
高度な生産ライン
INI Hydraulic Co., Ltd. 油圧ウインチ、油圧モーター、遊星歯車箱の設計と製造を専門にして20年以上の歴史がある。私たちはアジア専門の建設機械部品サプライヤーの一人です。お客様の巧妙な設備設計を最適化するためにカスタマイズすることは、市場で活力を維持する方法です。26年間、お客様のニーズを満たすために革新を続けてきたコミットメントのもと、当社は独自に開発した技術に基づいて幅広い製品ラインを開発してきました。製品の種類は多く、それぞれの製品は密接に関連しており、油圧と電動ウインチ、遊星歯車箱、回転駆動装置、伝動駆動装置、油圧モータ、ポンプ、油圧システムを含む。
当社製品の信頼性は、産業機械、建設機械、船舶・甲板機械、海洋機器、鉱山機械、冶金機械に限らず、さまざまな用途で実証されています。
さらに、当社の製品品質は複数の世界的に有名な認証機関によって承認されています。 当社の製品が取得した認証には、EC 型式試験証明書、BV MODE、DNV GL 証明書、EC 適合証明、海洋製品の型式承認証明書、ロイド レジスター品質保証が含まれます。これまでに、国内市場である中国以外に、米国、ドイツ、オランダ、オーストラリア、ロシア、トルコ、シンガポール、日本、韓国、マレーシア、ベトナム、インド、イランに製品を幅広く輸出してきました。 当社の物流サービスとアフターサービスは、お客様の深い利益のために、迅速かつ確実に全世界をカバーします。
16 Mar,2026
09 Mar,2026
02 Mar,2026
23 Feb,2026
16 Feb,2026
09 Feb,2026
02 Feb,2026
TOP