16 Mar,2026
ギア vs. ベーン vs. ピストン: どの産業用油圧ポンプが最高の効率を提供しますか?


高圧、高速ドライブ、バランスバルブを備えたモーター、
高負荷条件向けに設計されています
6~50トンの油圧ショベルに最適なソリューションです。
効率的でコンパクトな設計
高圧技術により油圧システムの効率が向上
バランスバルブと圧力リリーフバルブを統合した 2 速モーター
モーターには油圧ブレーキの機能が組み込まれています
リクエストに応じて速度を自動的に変更可能
低温、高効率
動作温度範囲:-20℃~80℃
コンパクトな設計
低排気量高圧モーターは重要なコンポーネントの耐用年数を延ばし、全体の性能を向上させます。
システムの耐久性
油圧プランジャー回転用の全銅ライナー
ダブルメタル(銅/スチール)分配トレイ
回転と特殊なスプリングシステムの組み合わせにより、モーターの寿命が向上します。
減速機はメカニカルラビリンスシール、V型オイルシール、メインオイルシールの3重シール方式。
減速機を分解せずにメインオイルシールの交換が可能
減速機のベアリングは独立したコンポーネントであり、取り付けが簡単で、負の負荷に対して完全にプリセットできます
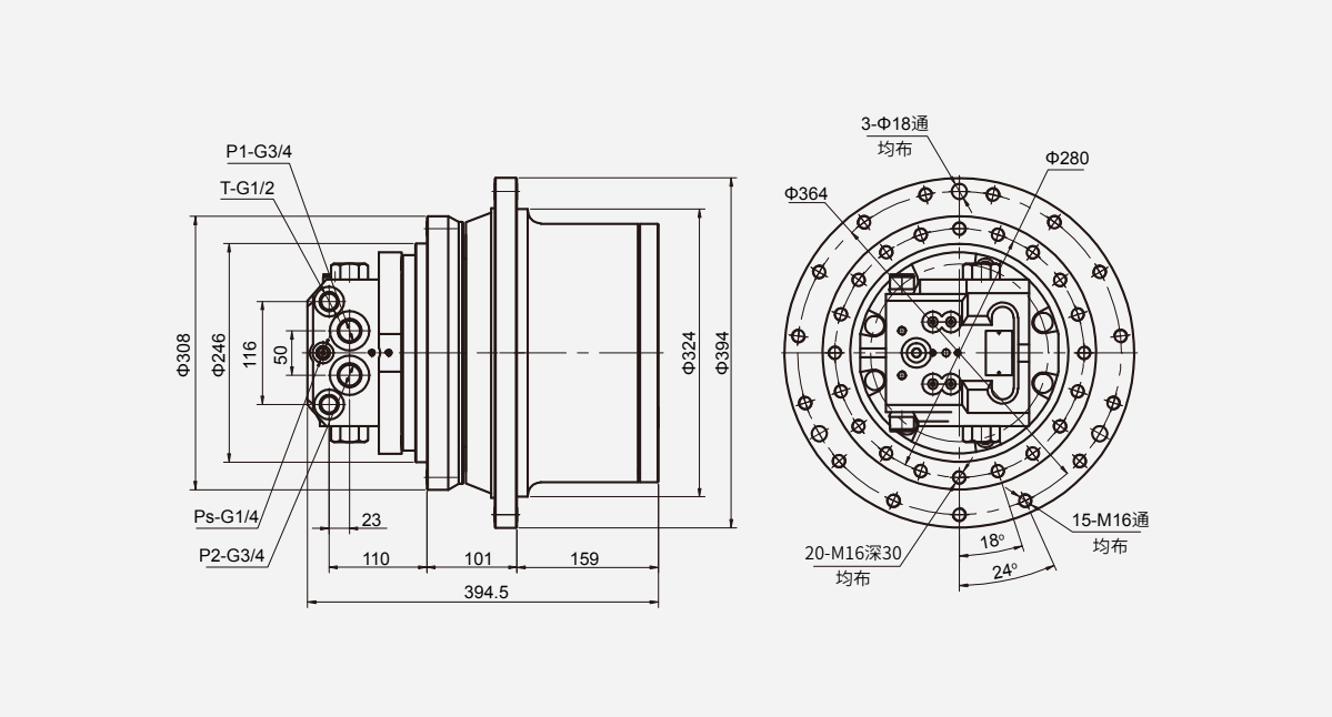
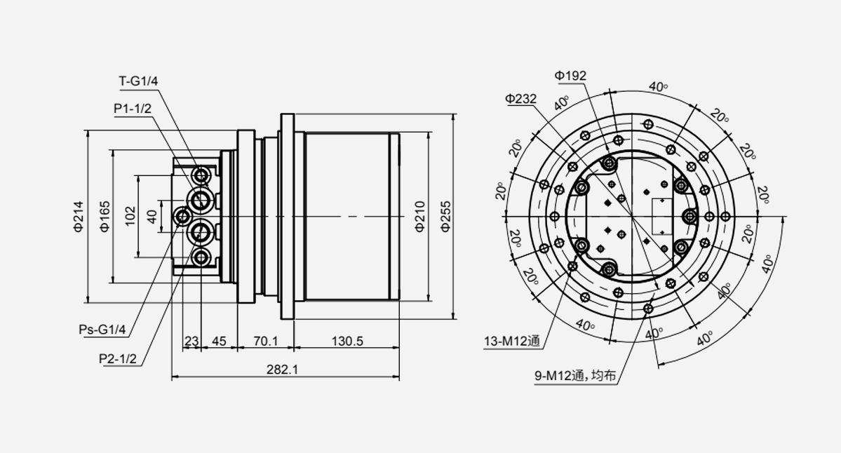
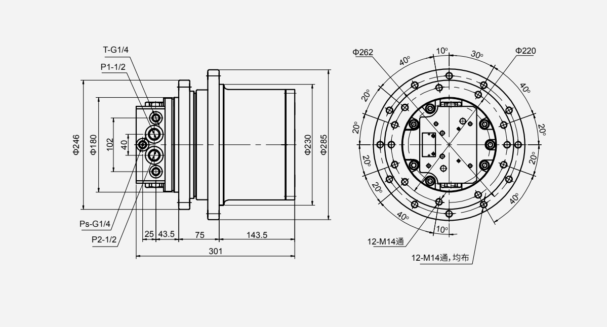
ITM01:
| モーダル | (L/分) | (ML/r) | (MPa) | (MPa) | ギア比 | (N.m) | (r/分) | 回転 | (℃) | (mm2/秒) |
| ITM01 | 20 | 6.31/12.56 | 25 | 2-7 | 36.96 | 1845 | 85.8/43 | 双方向 | -20- 80 | 16-25 |
| モーダル | (L/分) | (ML/r) | (MPa) | (MPa) | ギア比 | (N.m) | (r/分) | 回転 | (℃) | (mm2/秒) |
| ITM03 | 40 | 12/18 | 21 | 2-7 | 45.2 | 2719 | 55/37 | 双方向 | -20- 80 | 16-25 |
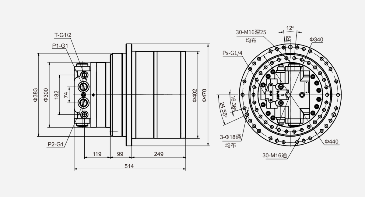
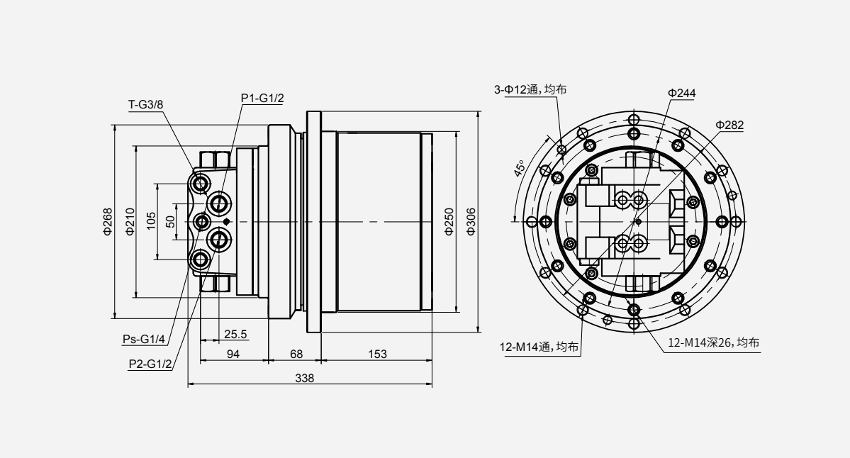
ITM04:
| モーダル | (L/分) | (ML/r) モーター | (MPa) | (MPa) | ギア比 | (N.m) | (r/分) | 回転 | (℃) 油 | (mm2/秒) |
| ITM04 | 40 | 14.3/23.6 | 21 | 2-7 | 52.7 | 4200 | 55/33 | 双方向 | -20- 80 | 16-25 |
| モーダル | (L/分) 入力流量 | (ML/r) | (MPa) | (MPa) | ギア比 | (N.m) | (r/分) | 回転 | (℃) | (mm2/秒) |
| ITM06 | 50 | 19/34 | 24.5 | 2-7 | 47.53 | 6300 | 55/30 | 双方向 | -20- 80 | 16-25 |
| モーダル | (L/分) 入力流量 | (ML/r) | (MPa) 使用圧力 | (MPa) | ギア比 | (N.m) | (r/分) | 回転 | (℃)油 | (mm2/秒) |
| ITM07 | 50 | 22/44 | 27.5 | 2-7 | 53.706 | 10500 | 50/25 | 双方向 | -20- 80 | 16-25 |
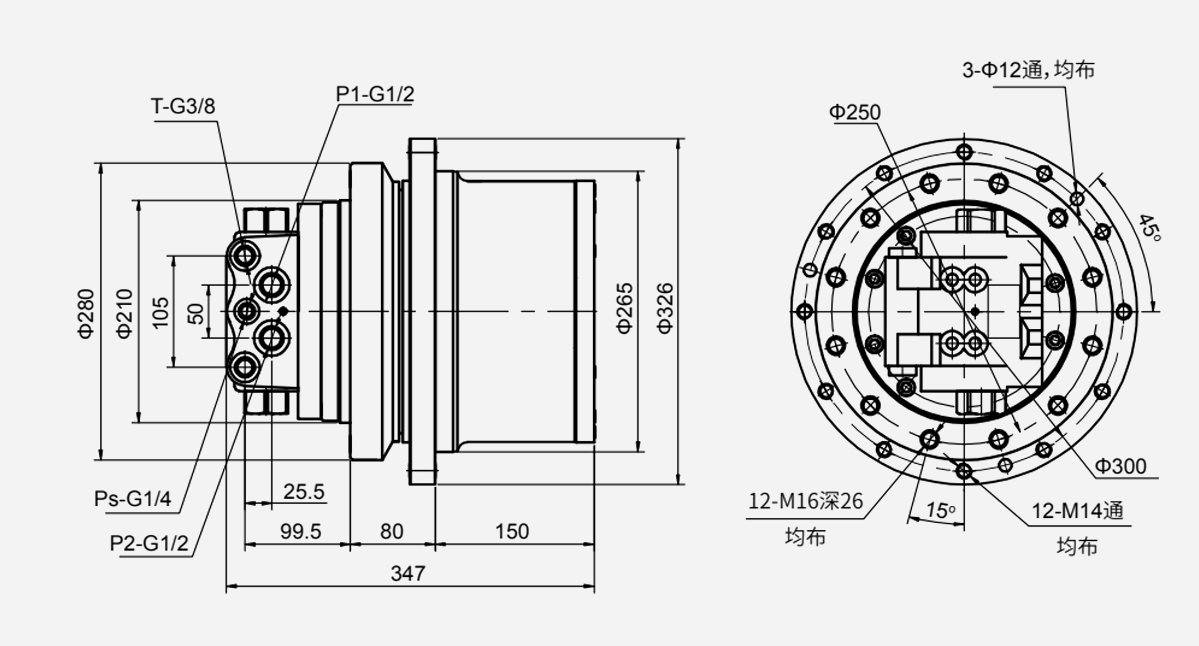
ITM09:
| モーダル | (L/分) | (ML/r) | (MPa) | (MPa) | ギア比 | (N.m) | (r/分) | 回転 | (℃) | (mm2/秒) |
| ITM09 | 80 | 34/53 | 30 | 2-7 | 53.7 | 11500 | 51/33 | 双方向 | -20- 80 | 16-25 |
| モーダル | (L/分) | (ML/r) | (MPa) | (MPa) | ギア比 | (N.m) | (r/分) | 回転 | (℃) | (mm2/秒) |
| ITM10 | 80 | 38/65 | 25 | 2-7 | 53.7 | 13000 | 51/33 | 双方向 | -20- 80 | 16-25 |
| モーダル | (L/分) | (ML/r) | (MPa) | (MPa) | ギア比 | (N.m) | (r/分) | 回転 | (℃) | (mm2/秒) |
| ITM18 | 130 | 43/67 | 30 | 2-7 | 53 | 16900 | 57/37 | 双方向 | -20- 80 | 16-25 |
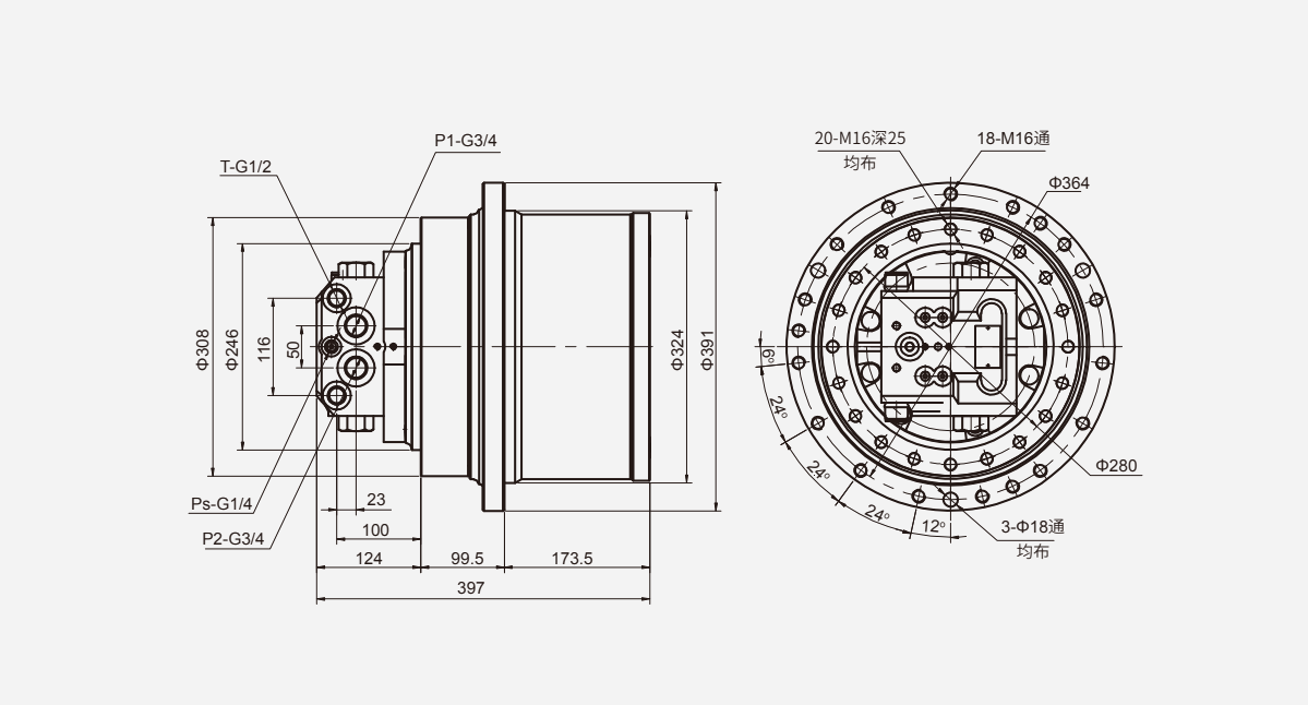
| モーダル | (L/分) | (ML/r) | (MPa) | (MPa) | ギア比 | (N.m) | (r/分) | 回転 | (℃) | (mm2/秒) | 該当する モデル |
| ITM22 | 130 | 48/81 | 34.3 | 2-7 | 53.7 | 23700 | 50/30 | 双方向 | -20- 80 | 16-25 | 13-17 |
| モーダル | (L/min) | (ML/r) | (MPa) | (MPa) | ギア比 | (N.m) | (r/分) 理論的 | 回転 | (℃) | (mm2/秒) |
| ITM40 | 230 | 99/147 | 34.3 | 2-7 | 50.5 | 40546 | 50/32 | 双方向 | -20- 80 | 16-25 |
| モーダル | (L/min) | (ML/r) | (MPa) | (Mpa) | ギア比 | (N.m) | (r/分) | 回転 | (℃) | (mm2/秒) |
| ITM60 | 330 | 195/120 | 34.3 | 2-7 | 63.84 | 67000 | 40/26 | 双方向 | -20- 80 | 16-25 |
有名企業の製品はユーザーからの信頼も厚い。
業界での経験年数
工場エリア
優秀な従業員
高度な生産ライン
INI Hydraulic Co., Ltd. 油圧ウインチ、油圧モーター、遊星歯車箱の設計と製造を専門にして20年以上の歴史がある。私たちはアジア専門の建設機械部品サプライヤーの一人です。お客様の巧妙な設備設計を最適化するためにカスタマイズすることは、市場で活力を維持する方法です。26年間、お客様のニーズを満たすために革新を続けてきたコミットメントのもと、当社は独自に開発した技術に基づいて幅広い製品ラインを開発してきました。製品の種類は多く、それぞれの製品は密接に関連しており、油圧と電動ウインチ、遊星歯車箱、回転駆動装置、伝動駆動装置、油圧モータ、ポンプ、油圧システムを含む。
当社製品の信頼性は、産業機械、建設機械、船舶・甲板機械、海洋機器、鉱山機械、冶金機械に限らず、さまざまな用途で実証されています。
さらに、当社の製品品質は複数の世界的に有名な認証機関によって承認されています。 当社の製品が取得した認証には、EC 型式試験証明書、BV MODE、DNV GL 証明書、EC 適合証明、海洋製品の型式承認証明書、ロイド レジスター品質保証が含まれます。これまでに、国内市場である中国以外に、米国、ドイツ、オランダ、オーストラリア、ロシア、トルコ、シンガポール、日本、韓国、マレーシア、ベトナム、インド、イランに製品を幅広く輸出してきました。 当社の物流サービスとアフターサービスは、お客様の深い利益のために、迅速かつ確実に全世界をカバーします。
16 Mar,2026
09 Mar,2026
02 Mar,2026
23 Feb,2026
16 Feb,2026
09 Feb,2026
02 Feb,2026
TOP