16 Mar,2026
ギア vs. ベーン vs. ピストン: どの産業用油圧ポンプが最高の効率を提供しますか?






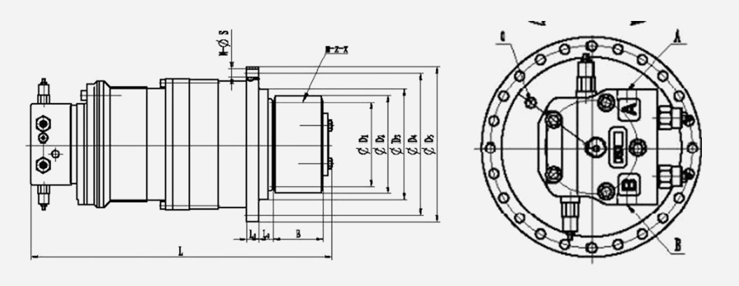
車両クレーン旋回は、当社が新たに発売した油圧製品の 1 つです。 最新の自社開発油圧機械技術を採用しているため、前世代よりも優れており、市場の既存の同様の製品よりも優れています。
| シリアルコード | 定格トルク | 定格速度 (N.m) | 総変位量 | 使用圧力 | 比率 | ギアパラメータ | 外形寸法と給油口仕様 | ||||||||||||||
| M | Z | × | B | D1 | D2 | D3 | D4 | D5 | L1 | L2 | L | N | S | AB | 0 | ||||||
| IYH2.5-A | 800-2000 | 0~120 | 430-1057 | 16 | 5/5.5/7 | 5 | 17 | 0.5 | 70 | 85 | 99.5 | 180 | 230 | 250 | 20 | 24 | 478 | 24 | 11 | N22x1.5 | G1/4' |
| IYH2.5-B | 800-2000 | 0~120 | 430-1057 | 16 | 5/5.5/7 | 6 | 17 | 0.5 | 60 | 102 | 118.8 | 180 | 230 | 250 | 20 | 24 | 468 | 24 | 11 | N22x1.5 | G1/4' |
| IYH2.5-C | 800-2000 | 0~120 | 430-1057 | 16 | 5/5.5/7 | 8 | 17 | 0.5 | 54 | 136 | 159.04 | 180 | 230 | 250 | 20 | 24 | 462 | 24 | 11 | N22x1.5 | G1/4' |
| IYH2.5-0 | 800-2000 | 0~120 | 430-1057 | 16 | 5/5.5/7 | 12 | 13 | 0.5 | 8D | 156 | 191.64 | 180 | 230 | 250 | 20 | 24 | 488 | 24 | 11 | N22x1.5 | G1/4' |
| IYH2.53-A | 3000~6500 | 0~32.5 | 1720-3320 | 16 | 20/28 | 6 | 17 | 0.5 | 60 | 102 | 118.8 | 250 | 290 | 320 | 20 | 75 | 565 | 16 | 17 | N22x1.5 | G1/4' |
| IYH2.53-B | 3000~6500 | 0~32.5 | 1720-3320 | 16 | 20/28 | 8 | 15 | 0.63 | 80 | 120 | 45.63 | 250 | 290 | 320 | 20 | 75 | 585 | 16 | 17 | N22x1.5 | G1/4' |
| IYH2.540 | 3000~6500 | 0~32.5 | 1720-3320 | 16 | 20/28 | 10 | 13 | 0.5 | 85 | 130 | 160 | 250 | 290 | 320 | 20 | 15 | 590 | 16 | 17 | N22x1.5 | G1/4' |
| IYH3-A | 2600-5316 | 0~100 | 1344-2711.5 | 16 | 5/5.5/7 | 6 | 17 | 0.5 | 60 | 102 | 118.8 | 235 | 252 | 270 | 38 | 90.5 | 483 | 24 | 10.5 | N22x1.5 | G1/2' |
| IYH3-B | 2620-5316 | 0~100 | 1344-2711.5 | 16 | 5/5.5/7 | 8 | 15 | 0.5 | 60 | 120 | 143.24 | 235 | 252 | 270 | 38 | 90.5 | 483 | 24 | 10.5 | N22x1.5 | G1/2' |
| IYH3-C | 2600-5316 | 0-190 | 1344-2711.5 | 16 | 5/5.5/7 | 10 | 12 | 0.63 | 80 | 120 | 149 | 235 | 252 | 270 | 38 | 905 | 503 | 24 | 10.5 | N22x1.5 | G1/2' |
| IYH3-D | 2690-5316 | 0~100 | 1344-2711.5 | 16 | 5/5.5/7 | 12 | 15 | 0.65 | 90 | 180 | 416.39 | 235 | 252 | 270 | 38 | 90.5 | 513 | 24 | 10.5 | N22x1.5 | G1/2' |
| IYH4-A | 4873-10886 | 0-90 | 2430-5428.5 | 16 | 5/5.5/7 | 10 | 17 | 0.6 | 85 | 170 | 200.64 | 330 | 370 | 400 | 24.5 | 123 | 625 | 24 | 17 | M33×2 | G1/2' |
| IYE4-B | 4873-10886 | 0-90 | 2430-5428.5 | 16 | 5/5.5/7 | 12 | 13 | 0.5 | 100 | 156 | 191.5 | 330 | 370 | 400 | 24.5 | 123 | 640 | 24 | 11 | M33×2 | G1/2' |
| NEHC | 4873-10886 | 0-90 | 2430-5428.5 | 16 | 5/5.5/7 | 14 | 15 | 0.5 | 100 | 210 | 250.58 | 330 | 370 | 400 | 24.5 | 123 | 640 | 24 | 17 | M33×2 | G1/2' |
| IYE4-D | 4873-10386 | 0-90 | 2430-5428.5 | 16 | 5/5.5/7 | 16 | 12 | 0.5 | 100 | 192 | 238.4 | 330 | 370 | 400 | 24.5 | 123 | 640 | 24 | 17 | M33×2 | G1/2' |
| IYES-A | 13195-22136 | 0-40 | 6580-11038.5 | 16 | 5/5.5/7 | 12 | 18 | 0.564 | 85 | 216 | 252.03 | 400 | 432 | 460 | 22 | 179 | 979 | 24 | 17 | φ50 | G1/2' |
| IYE5-B | 13195-22136 | 0-40 | 6580-11038.5 | 16 | 5/5.5/7 | 14 | 15 | 0.5 | 100 | 210 | 250.50 | 400 | 432 | 460 | 22 | 179 | 994 | 24 | 17 | φ50 | G1/2' |
| IYE5-C | 13195-22136 | 0-40 | 6580-11038.5 | 16 | 5/5.5/7 | 16 | 12 | 0.5 | 100 | 192 | 237.92 | 400 | 432 | 460 | 22 | 179 | 994 | 24 | 17 | φ50 | G1/2' |
| IYE6-A | 25197-33540 | 0-35 | 12565-16725.5 | 16 | 5/5.5/7 | 16 | 17 | 0.5 | 150 | 272 | 320 | 495 | 525 | 565 | 35 | 235 | 1215 | 24 | 21 | φ50 | G1/2' |
| IYE6-B | 25197-33540 | 0-35 | 12565-16725.5 | 16 | 5/5.5/7 | 20 | 15 | 0.5 | 160 | 300 | 359.6 | 495 | 525 | 565 | 35 | 235 | 1225 | 24 | 21 | φ50 | G1/2' |
| IYE34-4 | 12000-18000 | 0~5.5 | 6622-11165 | 16 | 38.5 | 12 | 12 | 0.5 | 100 | 144 | 180 | 330 | 370 | 400 | 40 | 125.5 | 663 | 24 | 17 | M33×2 | G1/4' |
| IYB34-B | 12000-18000 | 0~5.5 | 6622-1116 | 16 | 38.5 | 14 | 14 | 0.5 | 100 | 196 | 236.6 | 330 | 370 | 400 | 40 | 125.5 | 663 | 24 | 17 | M33×2 | G1/4' |
| IYE45-4 | 13000~25000 | 0-22 | 7028-13804 | 16 | 28 | 12 | 14 | 0.5 | 90 | 168 | 202.8 | 426 | 455 | 490 | 25 | 94 | 770 | 32 | 21 | M33×2 | G1/2' |
| IY845-B | 13000~25000 | Q-22 | 7028-13804 | 16 | 28 | 14 | 15 | 0.5 | 100 | 210 | 250.58 | 426 | 455 | 490 | 25 | 94 | 780 | 32 | 21 | M33×2 | G1/2' |
| IYB45-C | 13000~25000 | 0-22 | 7028-13804 | 16 | 28 | 16 | 12 | 0.5 | 100 | 192 | 237.92 | 426 | 455 | 490 | 25 | 94 | 780 | 32 | 21 | M33×2 | G1/2' |
| IYE56-A | 32740-61406 | 0-11 | 16660-31248 | 16 | 28 | 16 | 17 | 0.5 | 150 | 272 | 320 | 510 | 545 | 580 | 30 | 351 | 995 | 30 | 21 | M33×2 | G1/2' |
| IY856-1 | 32740-61406 | 0-11 | 16660-31248 | 16 | 28 | 18 | 14 | 0.5 | 180 | 252 | 306.18 | 510 | 545 | 5RQ | 30 | 351 | 1025 | 30 | 21 | M33×2 | G1/2' |
| IYE56-C | 32740-61406 | 0-11 | 16660-31248 | 16 | 28 | 20 | 14 | 0.4 | 194 | 280 | 329.48 | 510 | 545 | 580 | 30 | 351 | 1039 | 30 | 21 | M33×2 | G1/2' |
| IYBS7-A | 63000-90000 | 0-8 | 33180-45752 | 16 | 28 | 22 | 14 | 0.5 | 200 | 308 | 374 | 605 | 650 | 700 | 36 | 235 | 465 | 36 | 25 | M33×2 | G1/2' |
| IY857-B | 63080-90000 | 0-8 | 33180-45752 | 16 | 28 | 20 | 13 | 0.5 | 180 | 260 | 320 | 605 | 650 | 700 | 36 | 235 | 445 | 36 | 25 | M33×2 | G1/2' |
| IYE57-C | 63000-90000 | 0 | 33180-45152 | 16 | 28 | 18 | 17 | 0.5 | 140 | 306 | 360 | 605 | 650 | 100 | 36 | 235 | 1405 | 36 | 25 | M33×2 | G1/2' |
| IYH67-0 | 63000-9000 | 0-8 | 33180-45752 | 16 | 28 | 16 | 15 | 0.5 | 125 | 240 | 281.5 | 605 | 650 | 700 | 36 | 235 | 1390 | 36 | 25 | M33×2 | G1/2' |
| IYES7-E | 63000-90000 | 0-8 | 33180-45752 | 16 | 28 | 40 | 12 | 0.63 | 169 | 480 | 529.6 | 605 | 650 | 700 | 36 | 235 | 385 | 36 | 25 | M33×2 | G1/2' |
| IYB79-A | 110000~160000 | 0-10 | 55285-85148 | 16 | 22/28 | 22 | 14 | 0.5 | 200 | 308 | 374 | 760 | 810 | 850 | 40 | 449.5 | 157 | 36 | 25 | φ50 | G1/2' |
| IYR79-B | 110000~160000 | 0-10 | 55286-85148 | 16 | 22/28 | 20 | 13 | 0.5 | 180 | 260 | 320 | 760 | 10 | 850 | 40 | 449.5 | 155 | 36 | 25 | φ50 | G1/2' |
| IYB79-C | 110000~160000 | 0-10 | 55286-85148 | 16 | 22/28 | 18 | 17 | 0.5 | 140 | 306 | 360 | 760 | 810 | 850 | 40 | 449.5 | 1511 | 36 | 25 | φ50 | G1/2' |
| IYB79-D | 110000-160000 | 0-10 | 55286-85148 | 16 | 22/28 | 40 | 12 | 0.63 | 160 | 480 | 529.6 | 760 | 810 | 850 | 40 | 449.5 | 531 | 36 | 25 | φ50 | G1/2' |
有名企業の製品はユーザーからの信頼も厚い。
業界での経験年数
工場エリア
優秀な従業員
高度な生産ライン
INI Hydraulic Co., Ltd. 油圧ウインチ、油圧モーター、遊星歯車箱の設計と製造を専門にして20年以上の歴史がある。私たちはアジア専門の建設機械部品サプライヤーの一人です。お客様の巧妙な設備設計を最適化するためにカスタマイズすることは、市場で活力を維持する方法です。26年間、お客様のニーズを満たすために革新を続けてきたコミットメントのもと、当社は独自に開発した技術に基づいて幅広い製品ラインを開発してきました。製品の種類は多く、それぞれの製品は密接に関連しており、油圧と電動ウインチ、遊星歯車箱、回転駆動装置、伝動駆動装置、油圧モータ、ポンプ、油圧システムを含む。
当社製品の信頼性は、産業機械、建設機械、船舶・甲板機械、海洋機器、鉱山機械、冶金機械に限らず、さまざまな用途で実証されています。
さらに、当社の製品品質は複数の世界的に有名な認証機関によって承認されています。 当社の製品が取得した認証には、EC 型式試験証明書、BV MODE、DNV GL 証明書、EC 適合証明、海洋製品の型式承認証明書、ロイド レジスター品質保証が含まれます。これまでに、国内市場である中国以外に、米国、ドイツ、オランダ、オーストラリア、ロシア、トルコ、シンガポール、日本、韓国、マレーシア、ベトナム、インド、イランに製品を幅広く輸出してきました。 当社の物流サービスとアフターサービスは、お客様の深い利益のために、迅速かつ確実に全世界をカバーします。
16 Mar,2026
09 Mar,2026
02 Mar,2026
23 Feb,2026
16 Feb,2026
09 Feb,2026
02 Feb,2026
TOP